阅读全文2010-05-17
阅读全文2010-05-13
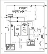
基于ATA6628和ATA6630设计的LIN总线汽车电子收
阅读全文2010-05-13
阅读全文2010-05-13
基于LPC1311设计的Cortex-M3 CPU USB接
阅读全文2010-05-11
阅读全文2010-05-08
阅读全文2010-05-06
阅读全文2010-05-05
阅读全文2010-04-30