时间:2023-03-15 15:33
人气:
作者:admin
顺序功能图是一种描述顺控系统过程、功能和特性的一种图形表示方法,主要由步、有向线段、转换(包括转换条件)和动作组成。要画好顺序功能图,理解并掌握它的每个组成至关重要。
一、顺序功能图的组成及释义

蓝色部分为组成,黄色部分为注释
1、步
将顺序控制系统的一个工作周期分成若干个阶段,这个阶段就是步。 一般用编程元件(位存储器M(如西门子PLC)、顺序控制继电器S(如三菱))代表各个步。 步可以分为初始步(系统初始状态)和活动步(系统运行到这一步)。
2、有向线段
把步与步之间连接起来的线段(有方向)。
3、转换与转换条件
由一步到另一步地转移,称为转换。 能使系统从一步到另一步的信号为转换条件。
二、顺序功能图的画法(以三菱和西门子为例)
顺序功能图分为单序列、并行序列和选择序列,下面以单序列为例进行说明。
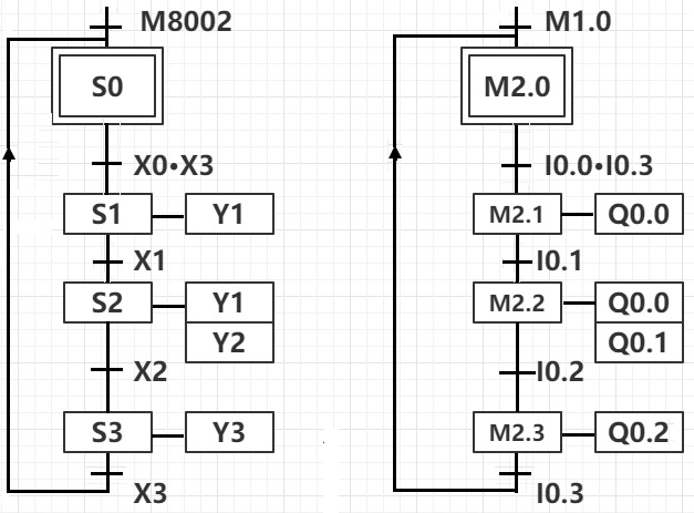
下图为某工作台动作示意图,初始状态在SQ3处,SQ3处于动作状态。 按下启动按钮SB1,工作台按照快进-----工进-----快退动作,工作一个循环后,停在初始位置。 快进时电磁阀YV1通电,工进时YV1和YV2同时通电,快退时YV3通电。

1、任务分析:要完成顺序功能图,首先需要把任务中的元件转化为PLC能识别的元件,也就是分配输入输出接口; 然后再根据任务的动作顺序,结合不同PLC的编程要求画出顺序功能图。
2、画顺序功能图步骤
(1)输入、输出分配

备注:本例三菱PLC的输入信号用X0、X1…… 表示,输出信号用Y1、Y2…… 表示; 西门子PLC的输入信号用I0.0、I0.1…… 表示,输出信号用Q0.0、Q0.1…… 表示。
(2)画顺序功能图(以三菱和西门子为例)

左边为三菱,右边为西门子。
备注:M8002和M1.0分别为三菱和西门子的默认初始脉冲,即PLC上电运行时瞬间导通,通常连接初始状态。
上一篇:PLC控制电路讲解