时间:2022-10-14 10:38
人气:
作者:admin
电机在工业领域具有广泛的应用,而电机驱动系统的趋势是高效率,高功率密度和高可靠性。功率半导体供应商不断在导通损耗和开关速度上实现突破,推出更高的电流等级、更小的封装尺寸以及更短的短路耐受时间的半导体器件。并且随着宽禁带半导体器件成本降低,也使得电机驱动系统逐步开始使用SiC,GaN器件。这些功率器件的发展及应用使得电机驱动系统的效率以及功率密度得到了提高,但也对驱动系统的可靠性,尤其过流及短路保护的响应时间提出了更高的要求。
本文将详细介绍工业电机驱动系统中的过流现象,以及TI隔离比较器在过流保护中的应用。
电机驱动系统中的过流类型分析
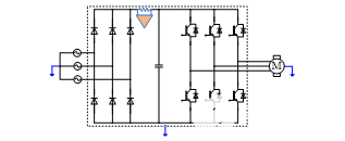
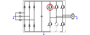
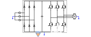
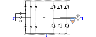
一般工业电机驱动器的应用环境复杂且相对恶劣,可能会出现高温、机械过载、交流线路瞬变以及接线错误等突发状况,这些可能会导致过大的电流流入电机驱动器系统,从而导致驱动器损坏。电机驱动器系统中常见的三种过流现象如下图所示。
![]() |
![]() |
|
|---|---|---|
| 图1 桥臂直通 | 图2 相对地短路 | |
![]() |
||
| 图3 相间短路 |
相对而言,电机本体可以在较长的时间内承受一定的过流;但开关管作为电机驱动系统中最重要的组成部分,对短路电流的耐受时间只有微秒级,所以有效的过流检测和保护对电机系统的安全可靠具有重要意义。
隔离比较器在电机过流保护中的应用
目前电机驱动器系统常采用的过流检测方案是通用比较器和隔离光耦的组合方案,这种方案的体积大,响应时间在3~5µs之间。过去IGBT对短路耐受时间是10 µs左右,而随着功率器件的发展革新,短路耐受时间缩短到5 µs,甚至1 µs。
TI的隔离比较器产品AMC23C1x具有响应速度快(290ns)、参考阈值精度高(±1%)、体积小、功耗低等优势。低边侧供电电压范围是2.7~5V,高边侧供电电压范围是3~27V,高边侧的宽输入电压范围使得隔离比较器的供电方式更加灵活,可以使用系统中的5V或者和驱动芯片共用电源。
TI隔离比较器产品集如下表,详细性能信息,请参考TI官网的产品数据手册。
| Part Number | AMC23C11 | AMC23C12 | AMC23C14 |
|---|---|---|---|
| Description | Isolated **comparator **with reference | Isolated **window comparator **with reference | Isolated**dual****window comparator **with reference |
| # of Channels | 1 | 1 | 2 |
| Output | Open Drain | Open Drain | Open Drain |
| Latch Function | Yes | Yes | Yes |
以AMC23C12为例,其工作模式分为Latch和Transparent模式,可以通过芯片Latch引脚进行设置。并且正负比较器的翻转电平Vit+和Vit-之间均存在4mV的滞环,以提高抗干扰能力,避免误触发。

图4 功能波形图
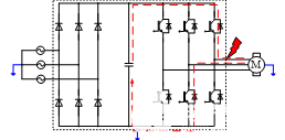
电机驱动器过流检测方式主要有以下四种,其中前三种可以使用TI隔离比较器来实现。
![]() |
![]() |
|---|---|
| 图5 DC_ 电流检测 | 图6 DC+ 电流检测 |
![]() |
![]() |
| 图7 相电流检测 | 图8 DESAT保护 |
以上过流检测及保护方案可以组合使用,以实现驱动器系统的可靠安全过流保护。
综上,随着功率器件的短路耐受时间下降至1 µs的水平,在极短的时间内检测并保护驱动器过流和短路情况正变得越来越重要。TI隔离比较器为实现工业电机驱动器的过流以及短路保护以及提高系统可靠性、减小系统体积提供了有效方案。
作者:Duoduo Cheng
上一篇:步进电动机的常见参数解读