时间:2022-10-19 10:15
人气:
作者:admin
本案例,利用液体混合控制程序设计,主要让读者练习西门子S7-200SMART系列PLC的比较和传送、置位、复位等指令的使用。
01 【控制示意图】
如图3-1所示为液体混合控制示意图,该多级传送带由3台电机启动。
图3-1 液体混合控制
02 【控制要求描述】
(1)当按下启动按钮后,阀门A打开向搅拌罐内注入A液体,当到达低液位时,停止注入;
(2) 3S钟后阀门B打开向搅拌罐内注入B液体,当到达高液位时,停止注入;
(3) 到达高液位后接着搅拌机开始运行搅拌2分钟。时间到达后出料阀门打开,出料1分钟后关闭出料阀;如未按下停止按钮,则注入A液体继续上述工艺流程工作;
如中途按下停止只能完成进料-搅拌-出料完整的工艺后才能停止;
(4)按下急停时,系统会终止运行!
03 【I/O分配】
根据控制要求描述对需要用到的I/O进行分配,如图3-2所示:
图3-2 I/O分配表
04 【PLC接线图】
根据控制要求描述,本示例可选择CPU ST20型号即可,CPU接线如图3-3所示
图3-3 接线图
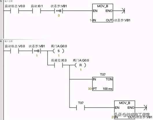
(1)利用系统存储器上电复位启动标志和停止标志、状态步等。

(2)用VB1状态步进行比较,不同的值执行不同的步骤。并且在状态步后加上转移条件,例如I0.3、T37等。




(3)当状态等于5的时候,若停止标志位未接通,则返回到下一个循环,从状态步1开始。
当停止标志位接通了则跳到到第0步,等待启动按钮的按下。当在执行的1-4步时候,任何时候按下了停止按钮V0.1都会接通,执行完整个循环之后回到第0步。
按下急停按钮状态步复位,输出全部复位。

以上为【液体混合控制程序设计】应用实例
结束语:利用比较指令可以清晰地分析整个程序的逻辑及控制状态。只需要在状态步后加上转移条件即可很方便地跳转到下一个状态。
审核编辑:彭静上一篇:最基本的电动机控制回路介绍