时间:2022-09-27 14:49
人气:
作者:admin
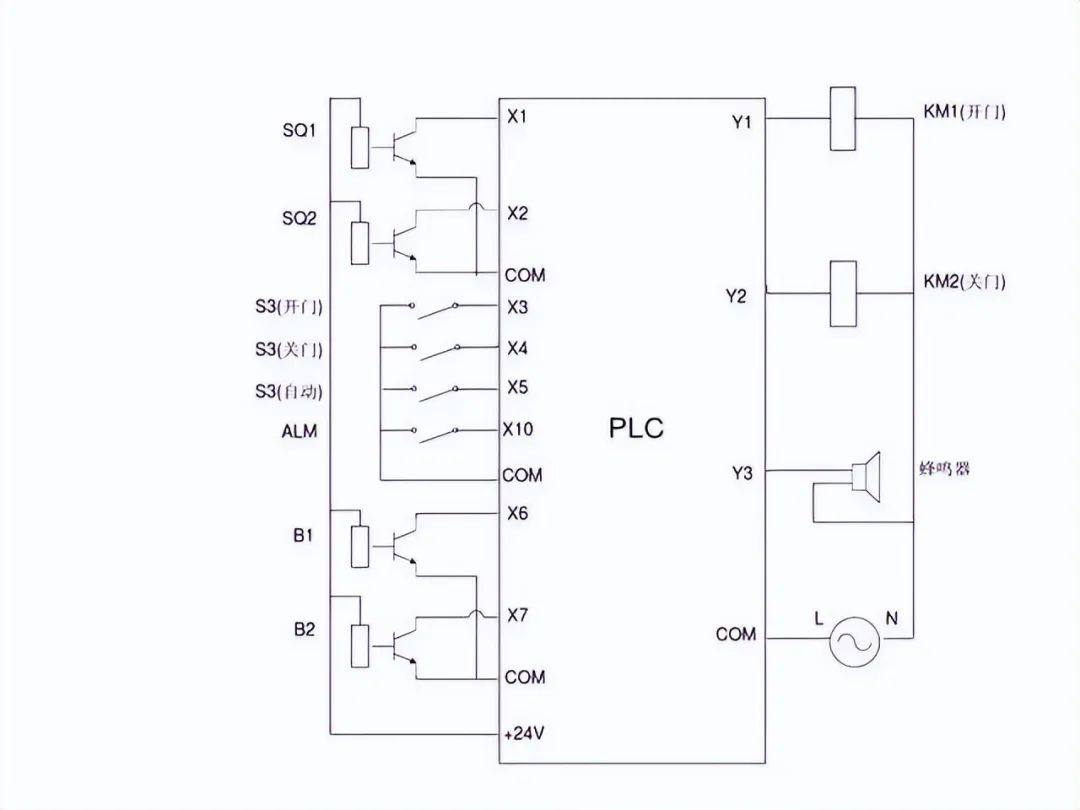
PLC自动化控制在电气自动化和智能化控制中应用相当的广泛,电力作业人员都知道,PLC的自动化控制除了需要输入既定的程序外,还有要对PLC本身进行输入端口和输出端口的接线。
只有PLC的程序指令正确,输入端口和输出端口接线正确,PLC才能自动化控制,电工老师傅都知道,PLC既可以接受开关量控制也可以接受模拟量控制,二者是可以相互转换的!
今天我们就重点来看看PLC的外部接线以及开关量信号和模拟量信号是如何转换的。





















编辑:黄飞
上一篇:永磁同步电机矢量控制策略
下一篇:如何解决PLC的地址编址问题