全球最实用的IT互联网信息网站!
AI人工智能P2P分享&下载搜索网页发布信息网站地图
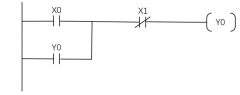
三菱PLC常用电路编程指令运用
阅读全文2023-05-24
PLC自动步程序的7种编程方法
电机选型四大步骤,易学易用!
三菱PLC功能指令介绍(一)
PLC编程中几种实用的数据类型转换方法
永磁同步电机流频比I/F控制原理及Matlab/Simulink仿
基于滑膜观测器的永磁同步电机无感控制
学懂PLC的四种控制电路设计方式
关于西门子PLC的学习案例
采用六步换相法实现直流无刷电机的正反转驱动
pwm控制的基本原理
日本HarmonicDrive哈默纳科谐波减速机的三大
支持工业4.0工厂的大规模定制、高质量和
机器视觉系统的主要工作流程是怎样的
CPU | 内存 | 硬盘 | 显卡 | 显示器 | 主板 | 电源 | 键鼠 | 网站地图
Copyright © 2025-2035 诺佳网 版权所有 备案号:赣ICP备2025066733号 本站资料均来源互联网收集整理,作品版权归作者所有,如果侵犯了您的版权,请跟我们联系。