全球最实用的IT互联网信息网站!
AI人工智能P2P分享&下载搜索网页发布信息网站地图
作为自动化领域人员 你准备好迎接工业4.0了吗?
阅读全文2017-04-26
无线连通性已经触及工业市场领域!
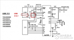
避免 EPOS 处理器在 9V USB 快速充电下短路
iDCS-Control技术满足多种工业应用要求
从工业物联网 (IIoT) 上面需要了解一些什么?
在超低功耗 MCU 上实现楼宇自动化 KNX 协议互通性
集中器侧硬件原理图设计
蓝牙低功耗的工业应用
基于固态继电器(SSR)交流负荷控制参考设计
超低功耗 MCU 让楼宇自动化更智能
pwm控制的基本原理
日本HarmonicDrive哈默纳科谐波减速机的三大
支持工业4.0工厂的大规模定制、高质量和
机器视觉系统的主要工作流程是怎样的
CPU | 内存 | 硬盘 | 显卡 | 显示器 | 主板 | 电源 | 键鼠 | 网站地图
Copyright © 2025-2035 诺佳网 版权所有 备案号:赣ICP备2025066733号 本站资料均来源互联网收集整理,作品版权归作者所有,如果侵犯了您的版权,请跟我们联系。