全球最实用的IT互联网信息网站!
AI人工智能P2P分享&下载搜索网页发布信息网站地图
爱普生机械手标准解决方案
阅读全文2014-11-20
Imagination的物联网IP大棋局
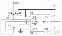
JS20单结晶体管时间继电器电路设计
基于MSP430的智能安防系统电路设计 —电路图天天
机器人产业迅速发展,催生新一代产业革命
阅读全文2014-11-19
机器人技术八大发展趋势,你知道吗?
基于嵌入式的机器人系统电路模块设计
导购机器人控制系统电路设计 —电路图天天读(
机器人未来发展趋势之十大关键技术盘点
阅读全文2014-11-17
人工智能快速起飞,云计算成关键
pwm控制的基本原理
日本HarmonicDrive哈默纳科谐波减速机的三大
支持工业4.0工厂的大规模定制、高质量和
机器视觉系统的主要工作流程是怎样的
CPU | 内存 | 硬盘 | 显卡 | 显示器 | 主板 | 电源 | 键鼠 | 网站地图
Copyright © 2025-2035 诺佳网 版权所有 备案号:赣ICP备2025066733号 本站资料均来源互联网收集整理,作品版权归作者所有,如果侵犯了您的版权,请跟我们联系。