全球最实用的IT互联网信息网站!
AI人工智能P2P分享&下载搜索网页发布信息网站地图
采用CD4011的超温监测自动控制电路设计
阅读全文2014-09-30
基于SoC FPGA进行工业设计及电机控制
阅读全文2014-09-29
让高集成度电机驱动更安全、环保和智能的方案
阅读全文2014-09-28
电源欠压过压报警保护器电路设计
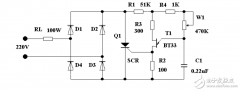
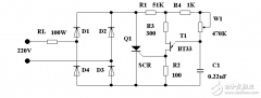
可控硅交流调压器模块电路设计
时钟与闹铃经典控制电路设计
电路图天天读(15):几种电子工程师常用模拟电
机器人市场遭外企垄断,本土企业该如何应对?
智能无线传感电磁阀控制电路设计
阅读全文2014-09-24
常用家用电器控制模块电路设计
pwm控制的基本原理
日本HarmonicDrive哈默纳科谐波减速机的三大
支持工业4.0工厂的大规模定制、高质量和
机器视觉系统的主要工作流程是怎样的
CPU | 内存 | 硬盘 | 显卡 | 显示器 | 主板 | 电源 | 键鼠 | 网站地图
Copyright © 2025-2035 诺佳网 版权所有 备案号:赣ICP备2025066733号 本站资料均来源互联网收集整理,作品版权归作者所有,如果侵犯了您的版权,请跟我们联系。