全球最实用的IT互联网站!
人工智能P2P分享搜索全网发布信息网站地图标签大全
浅谈DCS、SIS和 MIS关系和区别
阅读全文2023-02-19
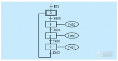
PLC顺序控制中编制梯形图的四种方式分享
如何调试才能避免烧毁PLC呢
200系列PLC对一键启停不同方式的程序编写
阅读全文2023-02-17
分享一下运动控制卡之ECIO系列IO卡的用法
x86视觉运动控制一体机VPLC710介绍
如何挑稳压开关直流电源的产品?
PLC功能指令使用基础
常见电机由机械故障引起的不正常声音有哪些
凭实力出圈,带您一览飞创大推力直线电机模组
pwm控制的基本原理
日本HarmonicDrive哈默纳科谐波减速机的三大
支持工业4.0工厂的大规模定制、高质量和
机器视觉系统的主要工作流程是怎样的
CPU | 内存 | 硬盘 | 显卡 | 显示器 | 主板 | 电源 | 键鼠 | 网站地图
Copyright © 2025-2035 诺佳网 版权所有 备案号:赣ICP备2025066733号 本站资料均来源互联网收集整理,作品版权归作者所有,如果侵犯了您的版权,请跟我们联系。