阅读全文2023-02-01
阅读全文2023-02-01
阅读全文2023-02-01
阅读全文2023-02-01
阅读全文2023-02-01
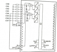
基于以太网的SIMATIC NET服务器与S7-1200通信
阅读全文2023-02-01
阅读全文2023-02-01
阅读全文2023-01-31