全球最实用的IT互联网站!
人工智能P2P分享搜索全网发布信息网站地图标签大全
Windows实时运动控制软核(一):LOCAL高速接口测试之
阅读全文2022-12-03
多联内机噪音诊断与处理措施
阅读全文2022-12-02
一个信号丢失的故障分析
利用TMC精密电机驱动:正压睡眠呼吸机设计方案
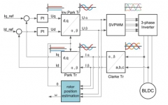
FOC控制算法是什么?
冠华伟业|2022’电机智造与产业链交流会(秋季)
变频器在热连轧棒材线轧机上的应用
把握工业计算芯机遇 | 芯海科技受邀参加“2022中
通电逆变电源机房环境与安全要注意哪些?
工业机器人的眼睛视觉系统技术解析
pwm控制的基本原理
日本HarmonicDrive哈默纳科谐波减速机的三大
支持工业4.0工厂的大规模定制、高质量和
机器视觉系统的主要工作流程是怎样的
CPU | 内存 | 硬盘 | 显卡 | 显示器 | 主板 | 电源 | 键鼠 | 网站地图
Copyright © 2025-2035 诺佳网 版权所有 备案号:赣ICP备2025066733号 本站资料均来源互联网收集整理,作品版权归作者所有,如果侵犯了您的版权,请跟我们联系。