全球最实用的IT互联网站!
人工智能P2P分享搜索全网发布信息网站地图标签大全
变频器在井下皮带机上的应用
阅读全文2022-11-24
变频,电机省电且长寿的秘诀
让我们开启步进电机操作之旅吧!
虹科案例 | 虹科工业树莓派助力构建智慧能源管
阅读全文2022-11-23
如何检查维修变频器通电无反应故障?
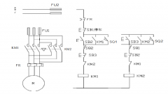
9个PLC编程程序调试及结果分析
阅读全文2022-11-22
永磁变频空压机中变频器的意义
R型新能源变压器有什么特点?
西门子S7-1500MODBUS通讯技术
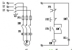
PLC控制系统基本构成框图及接线
pwm控制的基本原理
日本HarmonicDrive哈默纳科谐波减速机的三大
支持工业4.0工厂的大规模定制、高质量和
机器视觉系统的主要工作流程是怎样的
CPU | 内存 | 硬盘 | 显卡 | 显示器 | 主板 | 电源 | 键鼠 | 网站地图
Copyright © 2025-2035 诺佳网 版权所有 备案号:赣ICP备2025066733号 本站资料均来源互联网收集整理,作品版权归作者所有,如果侵犯了您的版权,请跟我们联系。