全球最实用的IT互联网站!
人工智能P2P分享搜索全网发布信息网站地图标签大全
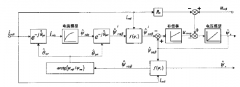
中央空调机的变频器控制方案
阅读全文2022-11-21
高速永磁同步电动机定子各区域的铁耗分析
plc输出为啥接的是交流220v?
异步电机混合模型转子磁链观测器学习
传感器与PLC数字量输入口连接
基于AI的机器视觉技术
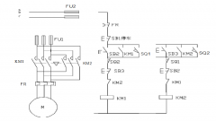
9个PLC接线图及程序调试结果分析
阅读全文2022-11-18
简单了解混动架构的技术解析和分类原理
高連高密度EV驱动电机前瞻性技术,EV驱动电机高
峰岹科技获2022年度BLDC控制器解决方案供应商奖
pwm控制的基本原理
日本HarmonicDrive哈默纳科谐波减速机的三大
支持工业4.0工厂的大规模定制、高质量和
机器视觉系统的主要工作流程是怎样的
CPU | 内存 | 硬盘 | 显卡 | 显示器 | 主板 | 电源 | 键鼠 | 网站地图
Copyright © 2025-2035 诺佳网 版权所有 备案号:赣ICP备2025066733号 本站资料均来源互联网收集整理,作品版权归作者所有,如果侵犯了您的版权,请跟我们联系。