全球最实用的IT互联网站!
人工智能P2P分享搜索全网发布信息网站地图标签大全
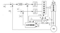
基于SVM改进的异步电机直接转矩控制系统设计
阅读全文2022-10-14
FLIR VS80工业内窥镜在地铁检测中的实际应用
阅读全文2022-10-13
变频器在氢气压缩机的应用
PLC与伺服驱动器的正确接线方法
变频器高次谐波的治理方法
集成驱动伺服电机的使用情况
PLC技术自动循环常规做法
PLC输入输出接线图
伺服电机和步进电机的问题解答
基于89C51单片机的机械臂智能抓取系统
pwm控制的基本原理
日本HarmonicDrive哈默纳科谐波减速机的三大
支持工业4.0工厂的大规模定制、高质量和
机器视觉系统的主要工作流程是怎样的
CPU | 内存 | 硬盘 | 显卡 | 显示器 | 主板 | 电源 | 键鼠 | 网站地图
Copyright © 2025-2035 诺佳网 版权所有 备案号:赣ICP备2025066733号 本站资料均来源互联网收集整理,作品版权归作者所有,如果侵犯了您的版权,请跟我们联系。