全球最实用的IT互联网信息网站!
AI人工智能P2P分享&下载搜索网页发布信息网站地图
全球二十大直流电机厂商盘点
阅读全文2023-06-26
新能源汽车驱动电机的结构、工作原理和性能优
6·18无人仓储自动化作业,激光雷达成重要技术
电动机的温升标准及影响因素
什么是视觉检测设备 视觉检测类项目经历哪些测
变频器故障的显示与诊断逻辑
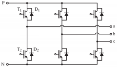
永磁同步电机控制系统仿真—逆变器模型(2)
阅读全文2023-06-25
永磁同步电机控制系统仿真—逆变器模型(1)
这种情况一定不能忽视!隔离变压器空载电流变
一文了解变频器的工作原理
pwm控制的基本原理
日本HarmonicDrive哈默纳科谐波减速机的三大
支持工业4.0工厂的大规模定制、高质量和
机器视觉系统的主要工作流程是怎样的
CPU | 内存 | 硬盘 | 显卡 | 显示器 | 主板 | 电源 | 键鼠 | 网站地图
Copyright © 2025-2035 诺佳网 版权所有 备案号:赣ICP备2025066733号 本站资料均来源互联网收集整理,作品版权归作者所有,如果侵犯了您的版权,请跟我们联系。