阅读全文2023-06-08
阅读全文2023-06-08
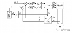
在Matlab/Simulink中进行永磁同步电机流频比I/F控制
阅读全文2023-06-08
阅读全文2023-06-08
基于滑膜观测器SMO的无感控制+Matlab/Simulink仿真详
阅读全文2023-06-08
基于扩展卡尔曼滤波EKF的无感控制+Matlab/Simulink仿
阅读全文2023-06-08
阅读全文2023-06-08