全球最实用的IT互联网信息网站!
AI人工智能P2P分享&下载搜索网页发布信息网站地图
嵌入式视觉技术应用领域与挑战 嵌入式视觉技术
阅读全文2023-06-08
西门子函数 (FC) 的参数解析
电动机间歇运行控制电路分析
西门子变频器模拟量调速控制接线图
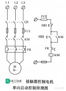
电动机启动控制电路分析
PLC的组成及工作原理
电动机常用控制电路分析
智能制造系统的结构模式
变频器控制启动、停止、正/反转电路图
PLC的8种常见错误类型
pwm控制的基本原理
日本HarmonicDrive哈默纳科谐波减速机的三大
支持工业4.0工厂的大规模定制、高质量和
机器视觉系统的主要工作流程是怎样的
CPU | 内存 | 硬盘 | 显卡 | 显示器 | 主板 | 电源 | 键鼠 | 网站地图
Copyright © 2025-2035 诺佳网 版权所有 备案号:赣ICP备2025066733号 本站资料均来源互联网收集整理,作品版权归作者所有,如果侵犯了您的版权,请跟我们联系。