全球最实用的IT互联网站!
人工智能P2P分享搜索全网发布信息网站地图标签大全
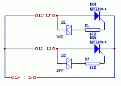
自制电话分线器
阅读全文2009-12-20
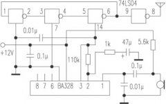
用与非门电路制作无线话筒及电路
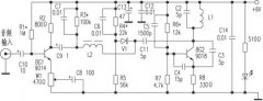
变容管调频无线发送器的制作及电路
自已制作调频发射机
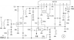
最优秀的FM高频头电路 (AN7254组成)
自制最简单收音机
太阳能收音机电路
基于D161A语音卡实现的异系统智能转接装置
阅读全文2009-12-19
IDMA通信系统中的粒子群交织算法
AF协作分集中的功率优化分配方案
无线连接Wi-Fi设备将帮助您解决三大设计
6G的下一步:太赫兹技术新进展
摩尔斯微电子与移远通信合作,将Wi-Fi
移远通信携手MediaTek在悉尼科技大学开展
CPU | 内存 | 硬盘 | 显卡 | 显示器 | 主板 | 电源 | 键鼠 | 网站地图
Copyright © 2025-2035 诺佳网 版权所有 备案号:赣ICP备2025066733号 本站资料均来源互联网收集整理,作品版权归作者所有,如果侵犯了您的版权,请跟我们联系。