Ratiometric Design Overcomes t
阅读全文2009-04-20
Stack References for Higher Ad
阅读全文2009-04-20
Calculating the Error Budget i
阅读全文2009-04-20
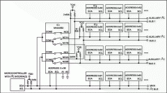
Analog Switch Expands I2C Inte
阅读全文2009-04-20
Interfacing Switches and Relay
阅读全文2009-04-20
阅读全文2009-04-20
阅读全文2009-04-20
阅读全文2009-04-20