时间:2023-05-13 17:02
人气:
作者:admin
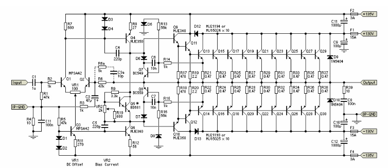
该高功率音频放大器电路由差分放大器作为第一级放大器组成。电位计VR1用于在进入下一电平之前调整放大器的失调电压。
该放大电路上的晶体管Q7和Q8用作短路保护,其流出的最终级晶体管将被限制在约12安培。虚线图中所示的R6A和C3a反馈组件是可选的。

二极管元件D9和D10将保护晶体管免受放大器反电动势在阻性负载下工作的影响。IN5404二极管能够承受高达200A的峰值电流,最低电压应达到400伏。
100欧姆电阻VR1的宝贵功能是平衡加强直流,其失调电压必须在+/- 25mV范围内。电阻VR2用于调节偏置电流。在放大电路斯坦比时,测量R19或R20电阻中包含的电压,并设置为150mV。
这种高功率音频放大器电路专为高功率放大而设计,可连续提供 2kW 和 1,5kW 的峰值功率,因此该放大器可以出色地驱动您的大扬声器。配备8欧姆扬声器,功放可产生1500W功率。不要使用小型扬声器来尝试此放大器电路,因为放大器会被它损坏。
作为最终电平放大器,通常使用双极晶体管代替MOSFET作为双极晶体管,在特定情况下比高压MOSFET更耐久。本文所用的晶体管类型是MJ150004/5型或MJ21193/4型,其并联产生高功率。
该放大器电路上的变压器digunakana为2x90VAC,一旦进入直流电压,在空载时将为+/- 130VDC。由于电源电压较高,请小心组装,以免出现致命错误。
警告:
本项目描述了一个高功率音频放大器、电源和测试程序,由于高电压,这些程序非常危险。如果您对自己的知识和行动不完全有信心,本文甚至不需要考虑。你知道 - 你对你所做的事情承担全部100%的责任。开发的某些方面可能需要审查和调整。