时间:2023-05-13 17:42
人气:
作者:admin
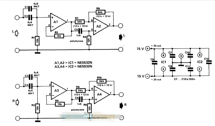
这是传输音频均衡器电路。将音频系统的带宽限制为 20 kHz 会影响系统在通带中的行为。滤波器特性越陡峭,通带中的相移越大。该相移与频率呈非线性关系,这会导致信号的频率相关延迟(随频率从约4-6 kHz增加)。这种影响是可以听见的。
CD光盘(光盘)播放器或MP3播放器是带宽如此有限的系统的一个例子。特别是索尼CD播放器和克隆受到频率依赖性传输时间的影响。飞利浦(和飞利浦衍生的)系统不会受到这种影响。
可以通过在低于 4-6 kHz 的频率的传输时间中引入延迟来抵消这种影响,这几乎可以平衡整个音频范围内的延迟。换句话说,所有音频的传输都以与应有的速度相同的速度进行。
这种延迟是通过附图中的移相器A2(左侧通道)和A4(右侧通道)实现的。最低频率的最大延迟为 2R5C5= 2R6C6= 36 μs。
该电路连接在CD播放器的输出和主放大器的AUX或CD输入之间。

上一篇:基于LF357的音频压缩电路图