时间:2023-05-13 17:43
人气:
作者:admin
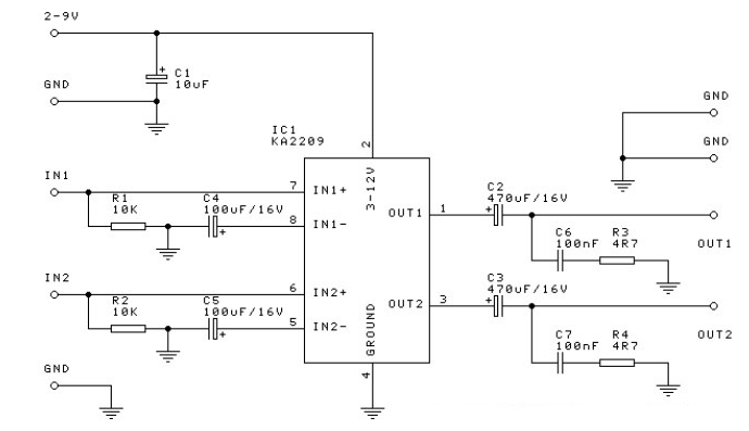
基于2瓦立体声音频放大器电路的IC KA2209电路设计用于这种小型音频放大器。例如迷你磁带,智能手机,mp3播放器和其他要求音频增益不太高的产品。
该电路非常简单,如果使用电池可以很好地工作。KA2209 IC 内部已经有两个放大器,因此仅使用一个 IC 即可轻松制作立体声放大器。
IC KA2209 有 8 个引脚。由于体积小,这些IC广泛用于随身听等便携式音频放大器。该放大器所需的电压为 1.5V 至 9VDC。
如果IC KA2209难以到达您的位置,可以用TDA2822型IC代替,该IC具有与KA2209相似的特性。
请记住,此立体声音频放大器电路适用于电池操作。如果使用电源,许多人抱怨电源的嗡嗡声。如果您打算使用电源构建此放大器,请使用已经调节良好的电源。

基于2瓦立体声音频放大器电路的IC KA2209零件列表:
R1, R2 : 10K棕黑色橙色
R3, R4 : 4R7 黄紫金 C1 : 10uF 迷你
C4, C5 : 100uF/25V 电解电容器 C2, C3 : 470uF/16V 电解电容器 C6,
C7 : 100nF 盒式电容器
IC KA2209
8 针 IC 插座
上一篇:分享一个传输音频均衡器电路