时间:2023-05-16 17:39
人气:
作者:admin
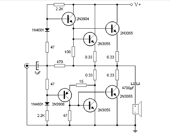
这种音频功率放大器电路由几个晶体管组成,这些晶体管以这样的方式排列以形成一个固体音频放大器电路并合格。该放大器使用四个晶体管,每个晶体管都有自己的功能。
音频功率放大器电路可以在 90 欧姆扬声器负载下产生 4 瓦的功率。该电路的优点之一是结构相当简单,可以低成本构建。
从图片来看,晶体管电平端使用2N3055作为主放大器(功率)。因此,第四个晶体管在工作时会发热,因此需要一个足以应对晶体管水平端的热量的散热器。
晶体管2N3904和2N3906作为放大器的主要驱动器,驱动放大器是对称构建的。为了使音频功率放大器的加强工作完美,建议在信号源和功率放大器之间增加一个前置放大器电路。
该音频功率放大器电路包括一个OTL放大器(输出变压器少)分类,因为电路在输出上使用Elco电容器。该电容器的功能是不会将直流电压输入扬声器,并且仅发出交流音频信号。
如图所示的放大器电路,它采用对称电压+/- 40Vdc,电流为1.5A。因此,如果您要构建立体声放大器,那么该放大器电路最佳工作所需的电流为3A。
