时间:2023-04-08 09:47
人气:
作者:admin
为了获得良好的音频质量,必须考虑音调设置,其中之一是良好的低音和高音。因此,需要一个自动响度控制电路,在放大器放大音频之前有效地提高音频质量。
这种自动响度控制电路可以改变由电位计调节的所需频率响应。这是为了根据您的耳朵保持理想的听力状况。

零件清单:
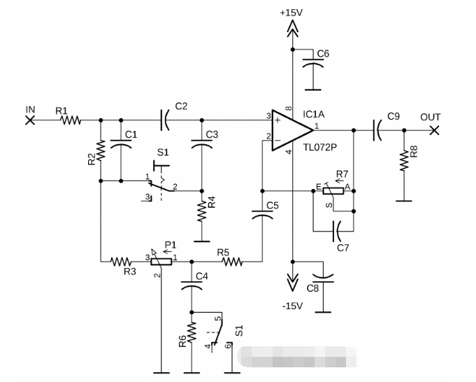
P1 = 10K 线性电位器(用于立体声的双单元) R1,R6,R8 100K 1/4W 电阻器 R2 =27K 1/4W 电阻 R3,R5 = 1K 1/4W 电阻 R4 = 1M 1/4W 电阻
R7 = 20K 1/2W 金属陶瓷微调器
C1 = 100nF 63V 聚酯电容器
C2 = 47nF 63V 聚酯电容器 C3 = 470nF 63V 聚酯电容器
C4 = 15nF 63V 聚酯电容器 C5,C9 = 1μF 63V 电解或聚酯电容器 C6,C8 47μF 63V 电解电容器 C7 = 100pF 63V 陶瓷电容器
IC1 = TL072 双通道 BIFET 运算放大器
SW1 = 双刀铁开关(四极用于立体声)
电容C1用于增加低频增益,而电容C4用于增加高频增益。但是,对于低频增益,高频设置取决于R2和R5。
当S1开关关断时,电路将用作具有轻微自然增益的前置放大器。对于该前置放大器的增益,使用微调器R7设置。以下是对电位器旋钮位置的频率响应。
在此自动响度控制下,所有频率的总谐波失真为1V RMS:《0.01%
笔记:
电路中的位置S1是没有响度的正常位置。
图中所示的电路是单声道的系列,如果要将其制成立体声,则
电路必须一分为二,IC1、C6和C8除外。
R7必须进行调整以获得最佳声音,但不能失真。
下一篇:带LED指示灯的音频节拍器电路图