时间:2023-04-08 11:01
人气:
作者:admin
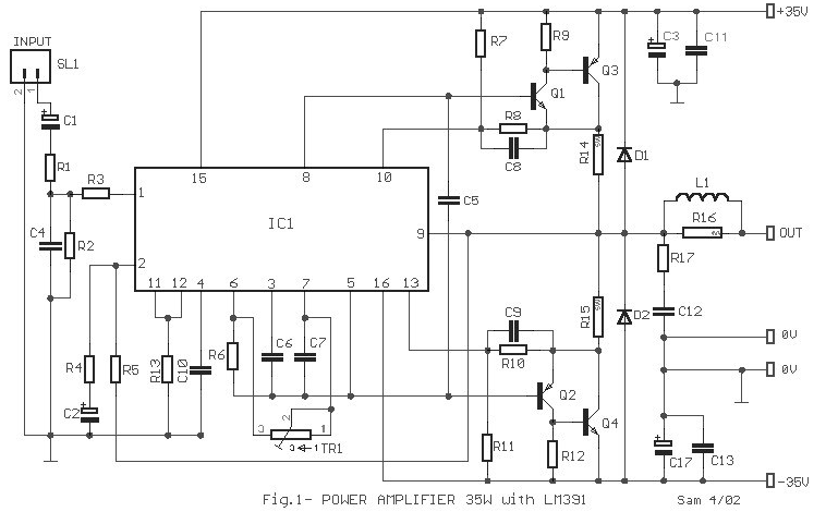
该电路方案是一种音频放大器,可以产生35瓦输出,失真很小。该电路的核心是LM391型IC。LM391IC是专门用于驱动基于晶体管的放大器的驱动器。该IC的优点是易于使用,只需要一些额外的组件。
TR1晶体管用于调节45mA的偏置电流。电感L1由20发线径为0.9mm的子弹组成。该导线应缠绕在电阻R16上。在电路工作时,晶体管Q3和Q4将经历热量。因此,这两个晶体管必须安装散热器。使用最终晶体管有两种选择。如果使用TIPXX型晶体管,则使用的冷却可能是散热器板。但是,如果晶体管与TO-3封装类型一起使用,则可以将其用于散热器,并将短线连接到每个晶体管。

该电路将在25VDC至35VDC之间的电压下最佳工作。而所需电流不小于5安培。图中所示的放大电路为单声道系统。如果要使用立体声系统,可以构建两个电路。使用的电源必须经过良好的调节,以防止扬声器发出嗡嗡声。
基于35W音频放大器电路的LM391IC部件列表:


上一篇:分享一个低阻抗麦克风放大器电路
下一篇:低音增强器耳机放大器电路分享