时间:2022-07-02 10:06
人气:
作者:admin
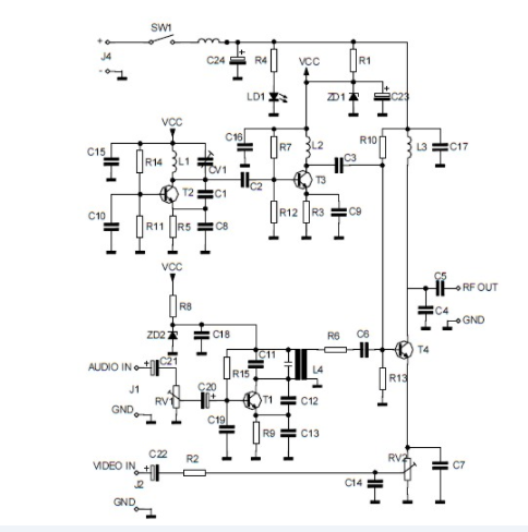
这是音频/视频调制器的电路图。该电路将音频和视频信号转换为 UHF 电视信号。希望将源自相机或其他视频源的视频信号连接到普通电视机。将音视频信号转换成超高频电视信号,以便通过电视天线输入接收信号。

音频/视频到 UHF 电视信号 - 零件清单

高频电感绕组
这是如何为 L1、L2 和 L3 制作高频电感:
将供应的 0.6 毫米电线切割成精确长度的 3 段。
用锋利的刀将每根金属丝末端的搪瓷刮掉约 5 毫米,然后在末端镀锡。
在直径为 3.5 毫米的钻头上组装绕组。
