时间:2022-07-12 15:18
人气:
作者:admin
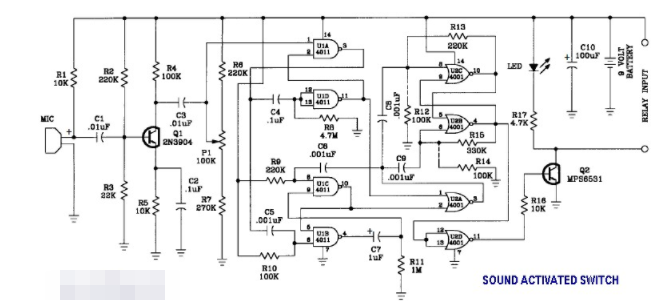
这是一个声控开关电路。它会根据拍手等响亮的声音打开和关闭。您可以调整从针落到麦克卡车喇叭的灵敏度(声音的响度会激活电路)。对于各种项目非常实用。添加继电器以在您的狗吠时打开灯,或在入侵者发出很大声音时设置警报器。
这里是电路图:

该电路使用 9 VDC 电池供电,或者您可以使用直流电源代替电池。用于捕捉声音的驻极体麦克风(非常灵敏)。灵敏度可以通过电位器调节。
组件列表:

PCB布局:

上一篇:20段立体声图形均衡器的电路图