时间:2022-07-12 15:33
人气:
作者:admin
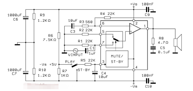
这是基于IC TDA2052的60W功率音频放大电路。如果您想创建一个能够产生具有低失真音频的良好声音输出的放大器,那么这款放大器可能是您的正确选择。本电路采用电源分体式,最大输入电压为25V。电源IC上应安装散热片,以免过热。

TDA2052 是一款采用七瓦封装的单片集成电路,旨在用作电视或 Hi-Fi 现场应用中的音频 AB 类放大器。
得益于宽电压范围和高输出电流能力,即使在电源调节不佳的情况下,它也能够为 4W 和 8W 负载提供最高功率。内置静音/待机功能简化了远程操作,避免了开关噪音。
这是上面原理图的PCB布局:

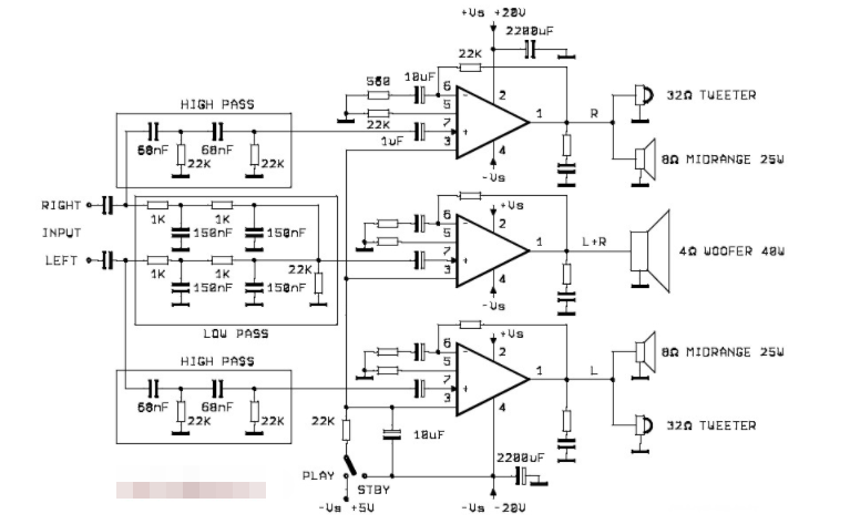
如果你需要一个更紧凑的音频放大器,你可以使用下面的电路

以上电路是基于TDA2052的音频放大器的进一步应用,它使用了三片IC TDA2052。有两路音频输入并产生三路音频输出的第二个高频声音和一个声音(高音),低频(低音)