时间:2010-12-28 10:23
人气:
作者:admin
视听技术的日新月异和家庭电脑的多媒体化,极大的满足了人们在娱乐和文化等方面的需求。视听合一已成为一种时尚。而作为视听设备的放音终端--音频功率放大器和音箱,要满足当今的视听都的需求,其防磁性和高保真度是我们应用考虑的首要因素。
高保真有源防磁音箱是以防磁设计为前提,将符合VCD音源对放音高保真要求的音频功率放大器与发烧级防磁扬声器单元精心组合,安装于音箱箱体内而成的。因其优良的防磁性能彻底解决了扬声器磁体对电视图像和电脑图像造成的干扰、扭曲的磁化现象,可在电视机和电脑的显示器附近随意摆放;而且具有占用空间小,移动方便,系统损耗小等诸多优点。而越来越受到广大音乐发烧友,电脑发烧友和工薪家庭的宠爱。
本文将要介绍的有源音箱正是基于上述特点而设计成功的新型高保真有源音箱,其系统我概括如下:

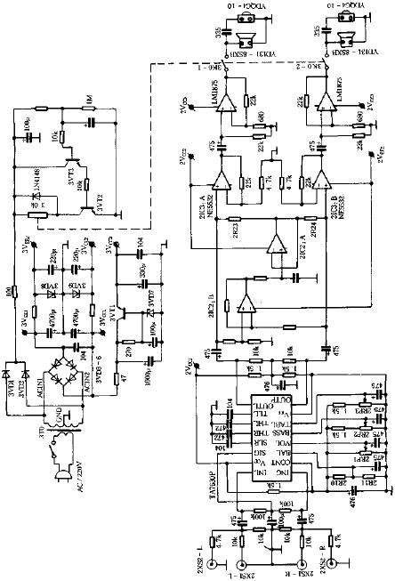
电路原理:



元器件选择与安装:


功能的扩展:

上一篇:电子管有源音箱电路图
下一篇:一款高性价比的有源音箱电路图