On2 Technologies将VP6视频解码器技术授权许
阅读全文2009-11-11
阅读全文2009-10-26
如何选择咔嗒/噼噗声抑制器(How to Pick a Cl
阅读全文2009-10-16
阅读全文2009-10-16
阅读全文2009-10-15
阅读全文2009-10-13
阅读全文2009-10-13
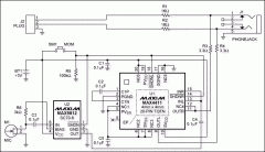
MAX9812+MAX4411组成的放大麦克风输入信号的电路
阅读全文2009-09-18