全球最实用的IT互联网信息网站!
AI人工智能P2P分享&下载搜索网页发布信息网站地图
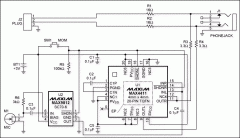
具有麦克风监测功能的耳机衰减器
阅读全文2009-09-18
Low-Cost, Dual SCART Solution
阅读全文2009-09-02
等离子显示器降功耗技术
阅读全文2009-08-27
全高清电视能效规范
寻星时卫星数字电视接收机的信号检测功能
阅读全文2009-08-17
12864点阵液晶显示模块的原理
阅读全文2009-08-12
ACM-12864汉字液晶显示驱动程序
阅读全文2009-08-10
44780 16x2 字符液晶屏驱动演示程序总线方式
使用1602液晶显示的实验例子
用5V电源进行工作的电路图
阅读全文2009-08-06
低成本、易部署、更高效 | 千视全NDI IP剧
音频电路供电没有负压也能正常输出的原
富信推出新款双P沟道增强型场效应管FS
制冷系统和制冷机一样吗 制冷系统和制冷
CPU | 内存 | 硬盘 | 显卡 | 显示器 | 主板 | 电源 | 键鼠 | 网站地图
Copyright © 2025-2035 诺佳网 版权所有 备案号:赣ICP备2025066733号 本站资料均来源互联网收集整理,作品版权归作者所有,如果侵犯了您的版权,请跟我们联系。