全球最实用的IT互联网信息网站!
AI人工智能P2P分享&下载搜索网页发布信息网站地图
唱机用音频放大器(陶瓷唱头)电路图
阅读全文2009-03-23
75W带过载保护的音频放大器电路图
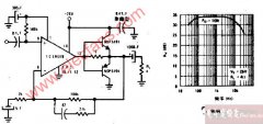
470mW互补对称式音频功率放大器电路图
16W桥式放大器电路图
10W功率放大器电路图
12W低失真功率放大器电路图
6W、8无输出变压器放大器电路图
4W桥式放大器电路图
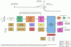
内窥镜或管道镜图像处理要求及解决方案
阅读全文2009-03-20
MD机功能解读
阅读全文2009-03-19
低成本、易部署、更高效 | 千视全NDI IP剧
音频电路供电没有负压也能正常输出的原
富信推出新款双P沟道增强型场效应管FS
制冷系统和制冷机一样吗 制冷系统和制冷
CPU | 内存 | 硬盘 | 显卡 | 显示器 | 主板 | 电源 | 键鼠 | 网站地图
Copyright © 2025-2035 诺佳网 版权所有 备案号:赣ICP备2025066733号 本站资料均来源互联网收集整理,作品版权归作者所有,如果侵犯了您的版权,请跟我们联系。