全球最实用的IT互联网信息网站!
AI人工智能P2P分享&下载搜索网页发布信息网站地图
Switching VGA Signals in a Not
阅读全文2009-03-31
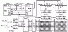
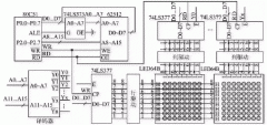
高速控制方案LED显示屏电路图及原理
阅读全文2009-03-29
大屏幕LED显示屏的高速控制设计
数字图像的实时采集原理
Reference Design for Switching
阅读全文2009-03-23
相同交流功率放大器电路图
新型扩音机耦合电路图
相同功率放大器电路图
使用单电源的同相放大器电路图
使用双电源的同相放大器电路图
低成本、易部署、更高效 | 千视全NDI IP剧
音频电路供电没有负压也能正常输出的原
富信推出新款双P沟道增强型场效应管FS
制冷系统和制冷机一样吗 制冷系统和制冷
CPU | 内存 | 硬盘 | 显卡 | 显示器 | 主板 | 电源 | 键鼠 | 网站地图
Copyright © 2025-2035 诺佳网 版权所有 备案号:赣ICP备2025066733号 本站资料均来源互联网收集整理,作品版权归作者所有,如果侵犯了您的版权,请跟我们联系。