LP8762-Q1 器件旨在满足各种安全相关汽车和工业应用中最新处理器和平台的电源管理要求。该器件具有 4 个降压 DC/DC 转换器内核,可配置为从 1 个 4 相输出到 4 个 1 相输出的五种不同的相位配置。器件设置可通过 I2C 兼容串行接口或 SPI 串行接口更改。
*附件:LP8762-Q1 具有集成开关的四相 12A 降压转换器 数据表.pdf
自动 PFM/PWM (AUTO 模式)作与自动相位添加和切相相结合,可在较宽的输出电流范围内最大限度地提高效率。LP8762-Q1 器件支持多相输出的远程差分电压感应,以补偿稳压器输出和负载点 (POL) 之间的 IR 压降,从而提高输出电压的精度。开关时钟可以强制到 PWM 模式,并且相位是交错的。开关可以同步到外部时钟,并且可以启用扩频模式以最大限度地减少干扰。
特性
- 符合 AEC-Q100 标准,结果如下:
- 输入电压:2.8V 至 5.5V
- 器件温度等级 1:-40°C 至 +125°C 环境工作温度范围
- 器件 HBM ESD 分类 2 级
- 器件 CDM ESD 分类 C4B 级
- 符合功能安全标准
- 专为功能安全应用而开发
- 提供有助于 ISO 26262 系统设计达到 ASIL-D 的文档
- 提供有助于 IEC 61508 系统设计(最高 SIL-3 的文档)
- 系统能力高达 ASIL-D
- 高达 ASIL-D 的硬件完整性
- 窗口式电压和过流监视器
- 带可选触发器/Q&A 模式的看门狗
- 电平或 PWM 错误信号监控 (ESM)
- 带高温警告和热关断的热监控
- 配置寄存器和非易失性存储器上的位完整性 (CRC) 错误检测
- 4 个高效降压 DC/DC 转换器:
- 输出电压:0.3V 至 3.34V(多相输出为 0.3V 至 1.9V)
- 最大输出电流:每相 3A,4 相配置高达 12A
- 可编程输出电压转换速率:0.5mV/μs 至 33mV/μs
- 开关频率:2.2MHz 或 4.4MHz
- 10 个可配置的通用 I/O (GPIO)
- 用于多 PMIC 同步的 SPMI 接口
- 输入过压监控器 (OVP) 和欠压锁定 (UVLO)
参数

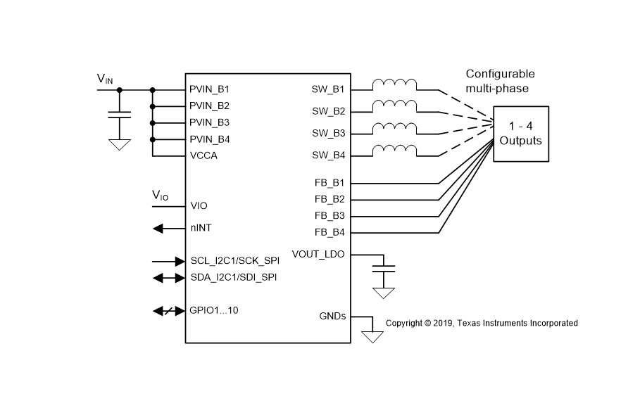
方框图

1. 产品概述
LP8762-Q1 是一款四相降压转换器,集成了开关元件,专为满足各种安全相关的汽车和工业应用中的最新处理器和平台的电源管理需求而设计。该设备具有四个高效率的降压DC/DC转换器核心,支持五种不同的相位配置,最大输出电流可达12A(四相配置)。
2. 主要特性
- AEC-Q100 认证:适用于汽车应用,温度等级为-40°C至+125°C。
- 功能安全:符合ISO 26262和IEC 61508标准,支持ASIL-D和SIL-3。
- 四相降压转换器:
- 输出电压范围:0.3V至3.34V(多相输出时为0.3V至1.9V)
- 最大输出电流:每相3A,四相配置时总电流可达12A
- 可编程输出电压斜率:0.5mV/µs至33mV/µs
- 开关频率:2.2MHz或4.4MHz
- 集成开关:减少外部组件数量,提高系统可靠性。
- 多种保护功能:包括过压监控(OVP)、欠压锁定(UVLO)、过流监控、热监控等。
- 可编程I/O和SPMI接口:支持多PMIC同步和灵活的系统控制。
- 差分电压感测:支持多相输出的远程差分电压感测,提高输出电压准确性。
3. 应用领域
- 高级驾驶辅助系统(ADAS)
- 前置摄像头
- 360度环视系统ECU
- 长距离雷达
- 传感器融合
- 域控制器
4. 功能描述
- LP8762-Q1支持自动PFM/PWM(AUTO模式)操作,以及自动相位添加和相位脱落,以在宽输出电流范围内实现最大效率。
- 设备设置可通过I²C或SPI串行接口进行更改,支持多种配置选项以满足不同应用需求。
- 集成的看门狗定时器具有可选的触发模式或问答模式,以及电平或PWM错误信号监控(ESM),增强了系统的可靠性和安全性。
5. 封装与机械信息
- 封装类型:VQFN-HR(32引脚),尺寸为5.5mm × 5.0mm。
- 提供了详细的包装选项、卷带信息和机械尺寸图。