TPS65218D0 是一款单芯片电源管理 IC (PMIC),专为支持便携式(锂离子电池)和非便携式(5V 适配器)应用中的 AM335x 和 AM438x 系列处理器而设计。该器件的额定温度范围为 –40°C 至 +105°C,适用于各种工业应用。
*附件:tps65218d0.pdf
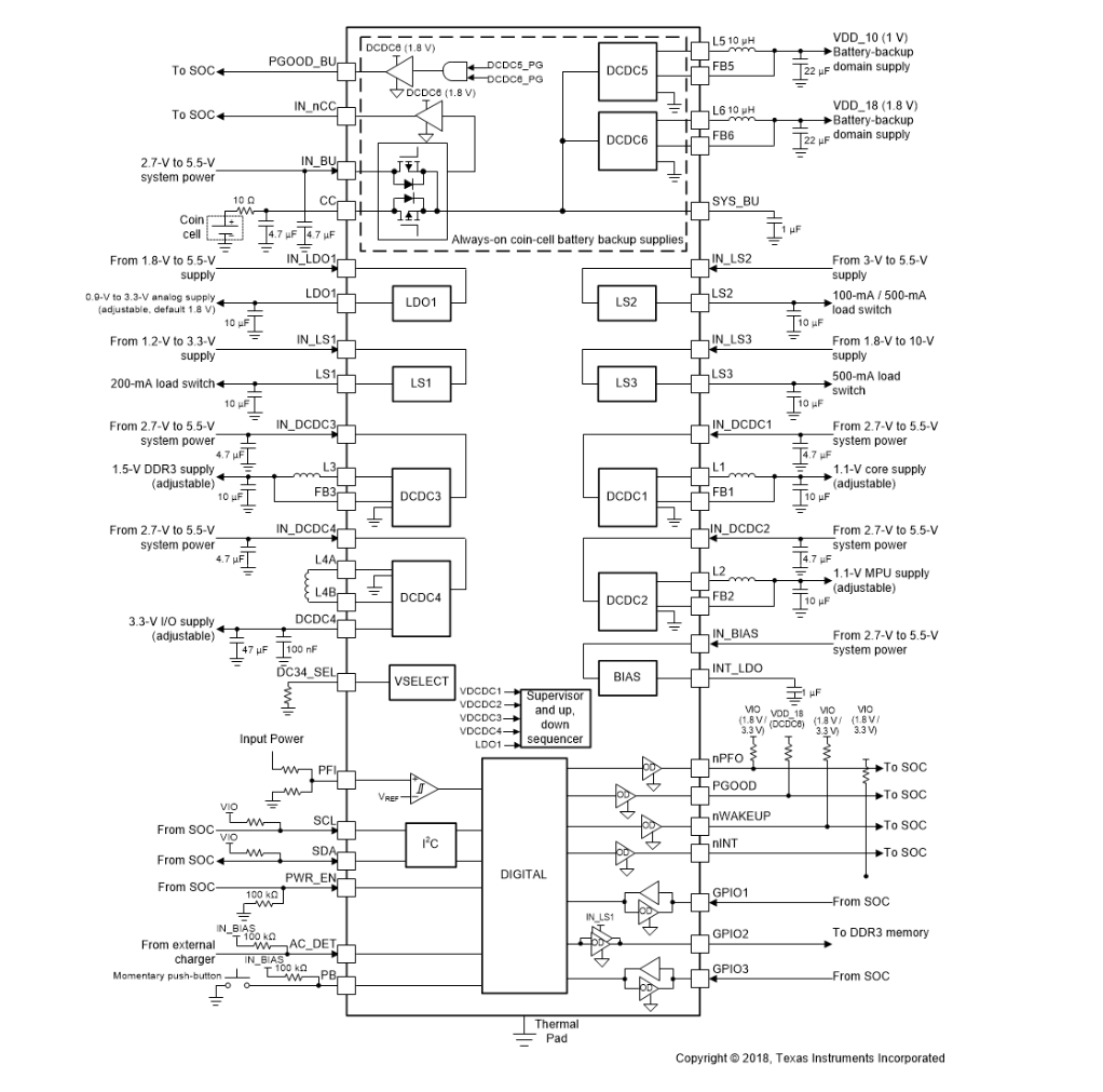
TPS65218D0 专为为 AM438x 处理器的所有功能提供电源管理而设计。DC/DC 转换器 DCDC1 至 DCDC4 分别用于为内核、MPU、DDR 存储器以及 3.3V 模拟和 I/O 供电。LDO1 为处理器提供 1.8 V 模拟和 I/O。GPIO1 和 GPO2 允许内存重置,GPIO3 允许 DCDC1 和 DCDC2 转换器的热重置(仅限 335x)。我^2^C 接口允许用户启用和禁用所有稳压器、负载开关和 GPIO。此外,UVLO 和监控器电压阈值、上电序列和掉电序列可通过 I 进行编程^2^C. 还可以监控过热、过流和欠压的中断。监控器监控 DCDC1 到 DCDC4 和 LDO1。该监控器有两个设置,一个用于典型的欠压容差 (STRICT = 0b),一个用于严格的欠压和过压容差 (STRICT = 1b)。电源就绪信号表示 5 个稳压器的调节正确。
三个迟滞降压转换器旨在为处理器内核、MPU 和 DDRx 存储器供电。每个转换器的默认输出电压可以通过 I 进行调整^2^C 接口。DCDC1 和 DCDC2 具有动态电压调节功能,可在处理器的所有工作点提供电源。DCDC1 和 DCDC2 还具有可编程的转换速率,以帮助保护处理器组件。当处理器处于睡眠模式时,DCDC3 保持供电,以保持 DDRx 内存的供电。如果系统电源发生故障或被禁用,备用电源为处理器的篡改、RTC 或两个域提供两个降压转换器。如果系统电源和纽扣电池都连接到 PMIC,则不会从纽扣电池获取电力。一个单独的电源良好信号监控备份转换器。备用电池监视器确定纽扣电池的功率水平。
TPS65218D0器件采用 48 引脚 VQFN 封装(6 mm × 6 mm,间距为 0.4 mm)。
特性
- 三个带集成开关 FET 的可调降压转换器(DCDC1、DCDC2、DCDC3):
- DCDC1:默认电压为 1.1V,最高电流为 1.8A
- DCDC2:默认电压为 1.1V,最高电流为 1.8A
- DCDC3:默认电压为 1.2V,最高电流为 1.8A
- VIN 范围为 2.7 V 至 5.5 V
- 可调输出电压范围 0.85 V 至 1.675 V(DCDC1 和 DCDC2)
- 可调输出电压范围 0.9 V 至 3.4 V (DCDC3)
- 轻负载电流下的省电模式
- 100% 占空比,实现最低压差
- 禁用时有源输出放电
- 一个具有集成开关 FET (DCDC4) 的可调降压-升压转换器:
- DCDC4:默认 3.3 V,最高 1.6 A
- VIN 范围为 2.7 V 至 5.5 V
- 可调输出电压范围 1.175 V 至 3.4 V
- 禁用时有源输出放电
- 两个低静态电流、高效率降压转换器,用于电池备份域 (DCDC5、DCDC6)
- DCDC5:1V 输出
- DCDC6:1.8V 输出
- VIN 范围为 2.2 V 至 5.5 V
- 由系统电源或纽扣电池备用电池供电
- 可调通用 LDO (LDO1)
- LDO1:1.8V 默认值,最高 400mA
- VIN 范围为 1.8 V 至 5.5 V
- 0.9 V 至 3.4 V 的可调输出电压范围
- 禁用时有源输出放电
- 具有 350mA 电流限制的低电压负载开关 (LS1)
- VIN 范围为 1.2 V 至 3.6 V
- 1.35V 时开关阻抗为 110mΩ(最大值)
- 具有 100mA 或 500mA 可选电流限制的 5V 负载开关 (LS2)
- VIN 范围为 3 V 至 5.5 V
- 5V 时 500mΩ(最大值)开关阻抗
- 具有 100mA 或 500mA 可选电流限制的高压负载开关 (LS3)
- VIN 范围为 1.8 V 至 10 V
- 500mΩ(最大值)开关阻抗
- 具有内置 Supervisor 功能监视器的 Supervisor
- DCDC1、DCDC2 ±4% 容差
- DCDC3、DCDC4 ±5% 容差
- LDO1 ±5% 容差
- 保护、诊断和控制:
- 欠压锁定 (UVLO)
- 始终在线的按钮监视器
- 过热警告和停机
- 用于备用电源和主电源的独立电源就绪输出
- 我^2^C 接口 (地址 0x24) (请参阅 I 的时序要求^2^C 在 400 kHz 下运行)
参数

方框图

1. 概述
TPS65218D0 是一款单芯片电源管理 IC(PMIC),专为支持 AM335x 和 AM438x 处理器系列而设计。它集成了多个可调的降压转换器、一个降压-升压转换器、低静态电流的高效降压转换器、可调的通用低压差线性稳压器(LDO)以及多个负载开关,适用于便携式(如 Li-Ion 电池)和非便携式(如 5V 适配器)应用。
2. 主要特性
- 三个可调降压转换器(DCDC1-3) :
- 默认输出电压分别为 1.1V、1.1V 和 1.2V。
- 最大输出电流可达 1.8A。
- 输入电压范围:2.7V 至 5.5V。
- 一个降压-升压转换器(DCDC4) :
- 默认输出电压为 3.3V。
- 最大输出电流可达 1.6A。
- 输入电压范围:2.7V 至 5.5V。
- 两个高效降压转换器(DCDC5 和 DCDC6) :
- 输出电压分别为 1V 和 1.8V。
- 专为电池备份域设计,支持系统电源或纽扣电池备份。
- 一个可调通用 LDO(LDO1) :
- 默认输出电压为 1.8V。
- 最大输出电流可达 400mA。
- 输入电压范围:1.8V 至 5.5V。
- 多个负载开关(LS1-3) :
- LS1:最大电流 350mA,电压范围 1.2V 至 3.6V。
- LS2 和 LS3:可选电流限制(100mA 或 500mA),电压范围分别为 3V 至 5.5V 和 1.8V 至 10V。
- 监控和保护功能:
- 包括欠压锁定(UVLO)、过温警告和关断、独立的电源良好输出等。
- 支持 I²C 接口进行配置和监控。
3. 应用
- 工业自动化
- 电子销售点(ePOS)
- 测试和测量
- 个人导航
- 工业通信
- 背板 I/O
- 连接式工业驱动器
4. 封装与尺寸
- 封装类型:48 引脚 VQFN(6mm × 6mm,0.4mm 间距)或 HTQFP(7mm × 7mm,0.5mm 间距)。
5. 电气特性
- 工作温度范围:-40°C 至 +105°C。
- 输入电压范围:根据具体转换器或 LDO 而定,通常在 1.8V 至 5.5V 之间。
- 输出电压精度:±2% 至 ±5%,具体取决于负载和温度条件。
- 静态电流:各转换器和 LDO 在不同模式下的静态电流有所不同,通常在微安级别。
6. 热特性
- 提供了详细的热阻信息,包括结到壳(RθJC)、结到板(RθJB)和结到环境(RθJA)的热阻值。
7. 编程与接口
- I²C 接口:支持标准模式(100kHz)、快速模式(400kHz)和高速模式(最高可达 3.4MHz)。
- 寄存器映射:提供了详细的寄存器映射,用于通过 I²C 接口访问和控制 PMIC 的各种功能。
8. 布局与设计指南
- 提供了布局指南和布局示例,以帮助设计师优化 PCB 布局,确保最佳性能。
- 强调了去耦电容的放置、热焊盘的使用以及输入和输出迹线的布线要求。