全球最实用的IT互联网站!
人工智能P2P分享搜索全网发布信息网站地图标签大全
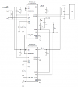
如何为ADAS处理器提供超过100A的电流
阅读全文2023-07-09
电路中VCC、VDD、VEE和VSS的区别!
阅读全文2023-07-08
助力绿色5G数字式电流和功率监测芯片-TPA626
AUTOSAR是什么?AUTOSAR软件架构简介
STM32内部重要功能全记录
运放电路设计实战
STM32双ADC采集基本知识介绍
STM32F103xx内部资源介绍
高通WAIC展示两大终端侧生成式AI技术 AI引擎获奖
阅读全文2023-07-07
DSP28335外部中断的使用
数十年技术积淀,高通跃龙产品组合直击
英伟达官宣H20恢复中国供应,新款GPU震撼
RZ/A3M 1 GHz微处理器(MPU)数据手册和产品
Nordic 收购 Neuton.AI # Neuton ML 模型解锁 So
CPU | 内存 | 硬盘 | 显卡 | 显示器 | 主板 | 电源 | 键鼠 | 网站地图
Copyright © 2025-2035 诺佳网 版权所有 备案号:赣ICP备2025066733号 本站资料均来源互联网收集整理,作品版权归作者所有,如果侵犯了您的版权,请跟我们联系。