全球最实用的IT互联网站!
人工智能P2P分享搜索全网发布信息网站地图标签大全
基于CW32L083的AT指令框架
阅读全文2023-07-13
锁相环的工作原理是什么? 锁相环的PSIM仿真介绍
阅读全文2023-07-12
Boost电路仿真的开环设计
MATLAB学习笔记|卷积计算
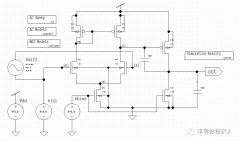
怎么去设计一种运算放大器仿真电路?
如何仿真三相桥式PWM逆变电路呢?
CPU缓存一致性协议解析
聊一聊Java中的Steam流
揭秘合成器:深入包络
阅读全文2023-07-11
嵌入式教程_DSP C674x教学实验箱操作教程:2-15 看
数十年技术积淀,高通跃龙产品组合直击
英伟达官宣H20恢复中国供应,新款GPU震撼
RZ/A3M 1 GHz微处理器(MPU)数据手册和产品
Nordic 收购 Neuton.AI # Neuton ML 模型解锁 So
CPU | 内存 | 硬盘 | 显卡 | 显示器 | 主板 | 电源 | 键鼠 | 网站地图
Copyright © 2025-2035 诺佳网 版权所有 备案号:赣ICP备2025066733号 本站资料均来源互联网收集整理,作品版权归作者所有,如果侵犯了您的版权,请跟我们联系。