全球最实用的IT互联网站!
人工智能P2P分享搜索全网发布信息网站地图标签大全
LED节点添加、配置、连线等基本开发过程
阅读全文2022-08-18
LED驱动器提高效率并简化设计
阅读全文2022-08-17
焊锡行业人员知道焊锡丝的主要添加成分是什么
晶能光电硅衬底氮化镓技术助力MicroLED产业化
使用NE555芯片去制作一个简易型LED广告牌
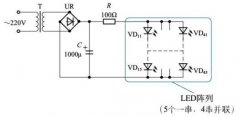
LED发光二极管并联使用的影响
12V电瓶电压LED指示电路
白光LED照明电路的应用实例
阅读全文2022-08-16
无铅锡膏焊点产生气泡是什么原因引起的?
瑞丰光电持续发力Mini LED在户外使用场景的应用
显示器低蓝光(ChinaMark)认证
友达光电的Micro LED生产线预计2025年启动量
艾迈斯欧司朗CIOE人气旺 众多新产品亮点
第二代全新升级LED全息屏:无龙骨设计引
CPU | 内存 | 硬盘 | 显卡 | 显示器 | 主板 | 电源 | 键鼠 | 网站地图
Copyright © 2025-2035 诺佳网 版权所有 备案号:赣ICP备2025066733号 本站资料均来源互联网收集整理,作品版权归作者所有,如果侵犯了您的版权,请跟我们联系。