全球最实用的IT互联网站!
人工智能P2P分享搜索全网发布信息网站地图标签大全
测试高亮度LED时避免损坏浪涌电流
阅读全文2022-08-10
喜讯 | 富奥星荣获阿拉丁神灯奖之优秀技术奖和
学生可以使用编码和原型解决方案快速创建和学
阅读全文2022-08-09
自制2.5瓦交流LED驱动电路
用于高功率机器视觉闪光灯的LED驱动器LT3932简介
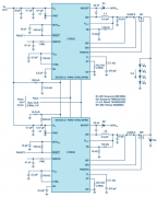
工业用高性能LED驱动器
提高LED驱动器的性能
用于智能照明应用的DC-DC转换器
太阳能LED照明系统的构成及特点
阅读全文2022-08-08
LED节能灯电路图讲解
显示器低蓝光(ChinaMark)认证
友达光电的Micro LED生产线预计2025年启动量
艾迈斯欧司朗CIOE人气旺 众多新产品亮点
第二代全新升级LED全息屏:无龙骨设计引
CPU | 内存 | 硬盘 | 显卡 | 显示器 | 主板 | 电源 | 键鼠 | 网站地图
Copyright © 2025-2035 诺佳网 版权所有 备案号:赣ICP备2025066733号 本站资料均来源互联网收集整理,作品版权归作者所有,如果侵犯了您的版权,请跟我们联系。