全球最实用的IT互联网站!
人工智能P2P分享搜索全网发布信息网站地图标签大全
关于学习专业的硬件PCB线路板设计的技巧
阅读全文2020-09-29
如何给无网络的PCB添加网络编号
阅读全文2020-09-28
PCB设计时电源通道处过孔需要注意哪些要点
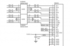
HDMI连接器的pcb设计走线要求分析
pcb设计之LCM模组典型电路设计
开关电源的PCB设计要点分析
阅读全文2020-09-27
什么是高速电路?“高频”和“高速”有什么区
高频电路覆盖绿油的作用及解决办法
阅读全文2020-09-26
PCB硬板和FPC软板差异分析
紫外激光器在工业领域PCB中的4大主要应用
如何识别常用元器件?
FCO5L02700033HDY00:27MHz差分晶体振荡器在高
PCB电路板设计中铺铜究竟如何发挥作用
PCB板的导体材料铜箔Copper Foil介绍
CPU | 内存 | 硬盘 | 显卡 | 显示器 | 主板 | 电源 | 键鼠 | 网站地图
Copyright © 2025-2035 诺佳网 版权所有 备案号:赣ICP备2025066733号 本站资料均来源互联网收集整理,作品版权归作者所有,如果侵犯了您的版权,请跟我们联系。