全球最实用的IT互联网站!
人工智能P2P分享搜索全网发布信息网站地图标签大全
关于RFID标签天线的设计详解
阅读全文2022-11-07
无线短距通信新时代正在开启
光输入矩阵如何构建射频光纤链路方案?
降低模拟量信号干扰的10个有效方法
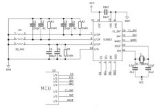
SI3933 三个时钟生成器的典型应用原理图
阅读全文2022-11-05
射频前端是什么?射频前端器件的位置及功能示
阅读全文2022-11-04
PiOT:一个可以通过LoRa®和蓝牙传输数据的NFC读卡
基于全新LoRa扩频技术的射频芯片LLCC68
中国射频芯片的先河 浅谈锐迪科射频芯片的故事
快讯 | 厦门市委副书记张毅恭一行莅临我司视察
QCA9531方案小尺寸无线路由WiFi模块SKW103
常用天线,无源器件有哪些类型(干货分享
如何抓取app数据包 网络抓包原理及实现
谁是5G应用的狮子座?
CPU | 内存 | 硬盘 | 显卡 | 显示器 | 主板 | 电源 | 键鼠 | 网站地图
Copyright © 2025-2035 诺佳网 版权所有 备案号:赣ICP备2025066733号 本站资料均来源互联网收集整理,作品版权归作者所有,如果侵犯了您的版权,请跟我们联系。