时间:2025-07-03 10:46
人气:
作者:admin
IGBT模块上桥臂的驱动
上桥臂和下桥臂:
IGBT以发射极电压为基准电位驱动。开关动作时,上桥臂IGBT的发射极电位VE在0伏和母线电压V+之间变化。在AC200V电路中,要开通上桥臂IGBT时,需要对门极施加300V加15V,合计315V的母线电压。因此,需要不受开关噪声干扰影响的上桥臂驱动电路。


上桥臂驱动可以使用了光耦合器和高压驱动集成电路。
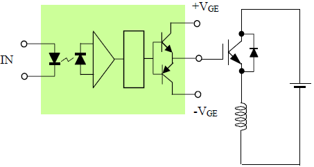
使用光耦合器的上桥臂驱动:在大容量电路中,使用光耦合器进行绝缘,此外还添加离散缓冲器的输出端。在中容量以下的电路中,使用将上述功能集成为一体的混合集成电路。图示为后者的例子。

● 使用去除高共模电压的类型
● 为了尽量缩短空载时间以减少损耗,使用传递延迟时间tPLH和tPHL小的类型。tPLH和tPHL是相对于输入信号,输出从L变为H、或从H变为L的延迟时间差。
使用驱动集成电路的上桥臂的驱动:

驱动集成电路中有:上桥臂用,半桥路用,上、下桥臂用,3相桥路用等产品。大多数是600V耐压产品,也有1200V耐压产品。
● 自举二极管应该使用高速类型,耐压应该与IGBT相同。
● 自举电容器应该使用高频特性良好的类型,或如薄膜电容器和陶瓷电容器进行并联连接。
● 尽量降低电源(Vcc)的电阻抗。
龙腾半导体SGT MOSFET LSGT085R018在智慧农业无