时间:2025-08-13 11:38
人气:
作者:admin
在电子设备飞速发展的今天,信号处理的精度与质量直接影响产品的性能。中微爱芯推出的单通道低噪声运算放大器AiP5534,具有低噪声、高增益、高摆率及高输出驱动的特点,既可单电源供电也可双电源供电应用。
主要特点
宽的电源电压工作范围
单电源:5V~36V
双电源:±2.5V~±18V
高单位增益带宽:24MHz(无外部补偿时典型值)
高压摆率 13V/us(典型值)
低输入失调电压
低输入失调电流
封装形式:DIP8/SOP8
引脚排列图

典型应用图

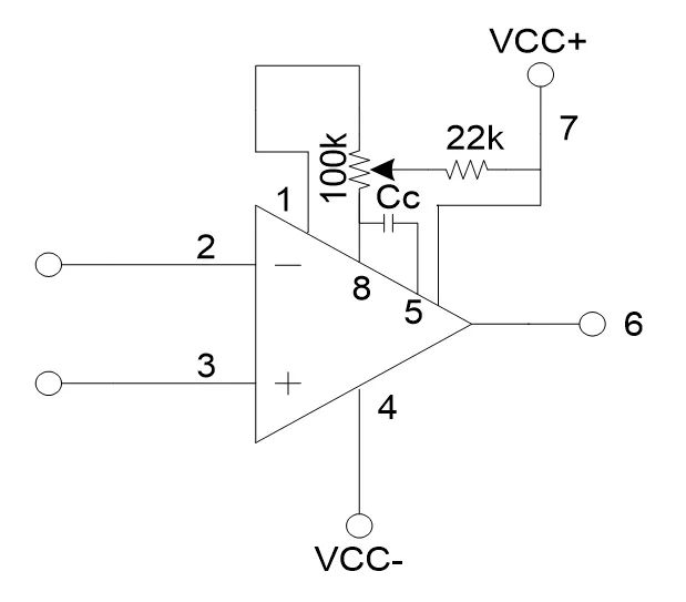
输入调零应用

电压跟随器
【低噪声运放选型表】

应用领域
音频领域
精确放大声音信号,过滤环境噪声和系统干扰,为录音设备和音响系统提供优质音源。
仪器仪表
减小底噪影响,精准放大信号,提高示波器和频谱仪等设备的测量结果准确性和可靠性。
工业控制
高效放大微弱电信号,保证信号真实准确,为工业生产的自动化控制,尤其是传感器信号处理保驾护航。
结语
如需了解更多产品资讯,请联系我司授权代理商或销售工程师。
关于中微爱芯
无锡中微爱芯电子有限公司成立于2004年,是一家以集成电路设计、测试、方案开发、销售和服务为主的高新技术企业,是工信部认定的集成电路设计企业,是国家鼓励的重点集成电路设计企业。产品已形成MCU、LCD显示、LED显示、通用逻辑、信号链、马达&栅驱动、功率器件、电源、音响、遥控器、通信、配套等多个系列几千款产品,覆盖消费电子、网通产品、工业设备、新能源、汽车电子等多个领域。
龙腾半导体SGT MOSFET LSGT085R018在智慧农业无