时间:2025-08-13 11:34
人气:
作者:admin
AiP8772是一款高压双路轨到轨输出运算放大器。AiP8772支持4.4V~16V单电源或2.2V~8V双电源工作,这种宽电压范围可以适配各类系统电源架构。该电路具有输入高阻抗和低噪声的特性,适用于压电转换器,音频、工业和仪表仪器领域。
主要特点
低噪声:9nV/√HZ@f=1KHz
低输入偏置电流:1pA(典型值)
输出轨到轨
高增益带宽积:2.2MHz(典型值)
高压摆率:4.5V/μs(典型值)
低输入失调电压:300uV(典型值)
可支持单电源或双电源供电
封装形式:DIP8/SOP8/TSSOP8
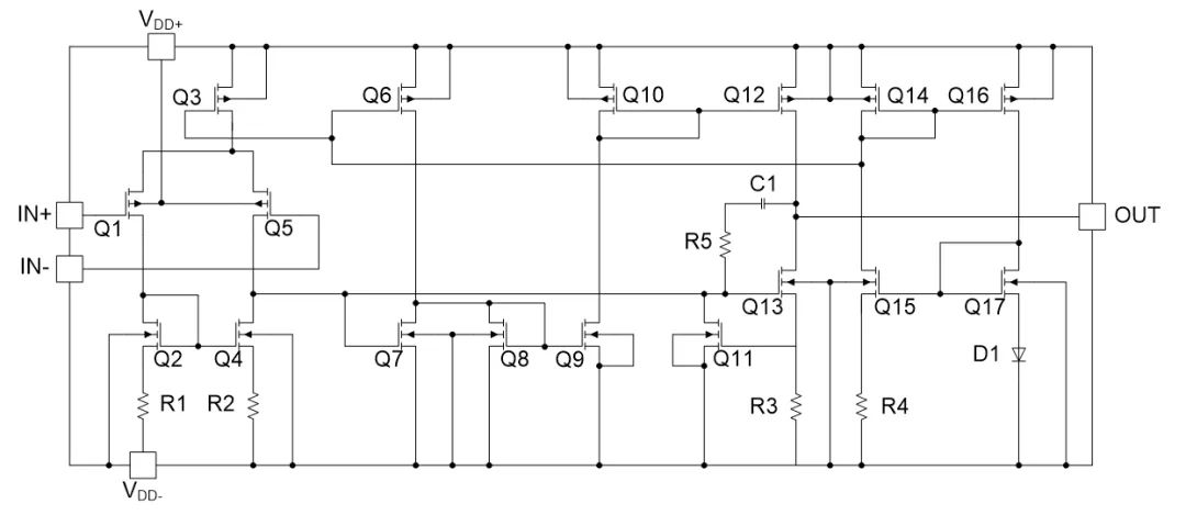
功能框图

引脚排列图

AiP877X系列详细参数见下表:

结语
中微爱芯后续将推出四路低噪声轨到轨运算放大器AiP8774。
如需了解更多产品资讯,请联系我司授权代理商或销售工程师。
关于中微爱芯
无锡中微爱芯电子有限公司成立于2004年,是一家以集成电路设计、测试、方案开发、销售和服务为主的高新技术企业,是工信部认定的集成电路设计企业,是国家鼓励的重点集成电路设计企业。产品已形成MCU、LCD显示、LED显示、通用逻辑、信号链、马达&栅驱动、功率器件、电源、音响、遥控器、通信、配套等多个系列几千款产品,覆盖消费电子、网通产品、工业设备、新能源、汽车电子等多个领域。
龙腾半导体SGT MOSFET LSGT085R018在智慧农业无