时间:2025-08-18 18:00
人气:
作者:admin
中微爱芯AiP853X系列电路为输入输出轨到轨、斩波调制放大器,具有超低失调、零漂移、低噪声特性。该系列电路采用2.4V~5.5V单电源(±1.2V~±2.75V双电源)供电;其中AiP8533和AiP8539为带使能型号,支持低功耗待机模式。该电路可用于传感器信号调理,BMS(电池管理系统),精密电流检测等。其主要特点如下:
主要特点
电源电压:2.4V~5.5V
低失调电压:10uV(MAX)
输入失调漂移:0.008uV/℃
GBW:300kHz
开环大信号增益:130dB
工作电流:每个通道35uA(TYP)
电源抑制比:120dB(TYP)
共模抑制比:130dB(TYP)
压摆率:0.13V/us
封装形式:
- AiP8531:SOT23-5,SOP8,MSOP8
- AiP8532:SOP8,MSOP8,TSSOP8,DFN8
- AiP8533:SOT23-6,SOP8,MSOP8
- AiP8534:SOP14,TSSOP14
- AiP8539:MSOP10
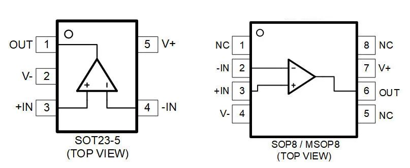
引脚排列图

AiP8531

AiP8532

AiP8533

AiP8534

AiP8539
AiP853X系列详细参数见下表

结语
中微爱芯还提供了AiP855X系列高精度零漂移运算放大器供客户选择,后续将推出11MHz AiP856X和15MHz AiP858X系列,想要获取更多技术支持,欢迎联系我们。
关于中微爱芯
无锡中微爱芯电子有限公司成立于2004年,是一家以集成电路设计、测试、方案开发、销售和服务为主的高新技术企业,是工信部认定的集成电路设计企业,是国家鼓励的重点集成电路设计企业。产品已形成MCU、LCD显示、LED显示、通用逻辑、信号链、马达&栅驱动、功率器件、电源、音响、遥控器、通信、配套等多个系列几千款产品,覆盖消费电子、网通产品、工业设备、新能源、汽车电子等多个领域。
龙腾半导体SGT MOSFET LSGT085R018在智慧农业无