时间:2025-08-19 09:09
人气:
作者:admin
来源:纳芯微电子
在MOSFET开关中,栅极驱动器(Gate Driver)承担着为其充电与放电的关键任务,而这背后的能量转换过程,直接影响驱动系统的效率与热设计。传统功率损耗公式虽广泛使用,但在某些应用场景中存在物理理解上的偏差。本文将以多个典型充放电模型为切入点,重新剖析驱动电路中能量的真实流向,并进一步探讨寄生电感对系统能量守恒的影响,为工程师提供更精确的能量估算依据与器件选型参考。
01常用的驱动电路功率损耗计算公式

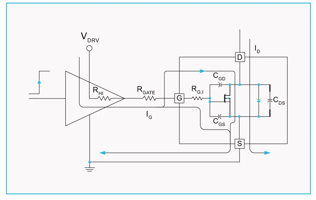
图1 驱动器对MOS充电

图2 驱动器对MOS放电
对于功率损耗的计算,计算公式如下:

......(1)

......(2)
QG充电终止时,栅极总电荷
fDRV栅极驱动频率
VDRV驱动电压
QG*fDRV物理意义是平均充电电流
VDRV*QG*fDRV物理意义是电源供给的平均功率
PON和POFF的公式把这部分功率一分为二,一半消耗在电阻上,一半存储在电容中,放电时电容中的能量再通过电阻消耗掉。
显然(1)和(2)成立的条件是——充电过程中,电阻上消耗的能量等于电容上存储的能量。但此假设一定成立吗?很明显电阻等于0的时候不成立。那么电阻不等于0的时候呢?
02恒压源对MOS的充电
MOS充电波形示意如图3,I-V曲线如图4:

图3

图4
阶段(1)
MOS在截止区,电容:
CGATE= CGS+CGD
阶段(2)
MOS在饱和区,电容:
CGATE=CGS+CGD*(1+gm*RLOAD)
阶段(3)
MOS在饱和区,电容:
CGATE=CGD*(1+ gm*RLOAD)
阶段(4)
MOS在线性电阻区,电容:
CGATE=CGS+CGD
CGS和CGD可以在纳芯微MOS datasheet中查到,CISS= CGS+CGD,CRSS= CGD
MOS在饱和区由于米勒效应,CGD会被放大(1+AV/V)倍,其中AV/V代表MOS饱和区的放大倍数。
CGD随着电压的变化而变化,对于大多数MOS,有如下近似公式:

…… (3)
阶段(1)(2)(4) CISS=近似为CGS和CGD_AVG并联。阶段(3),VGS基本保持不变,CGS不起作用,驱动对CGD恒流充电。
a.如图3区域(3)恒流充电时的功耗


…… (4)


…… (5)
当满足以下条件时,电阻耗能等于电容储能。

当VDRV>2Vmiller时,电阻耗能大于电容储能。
电源输出的能量
ES=VDRV*IG*t=CGD*VDRV*VDS_off=ER+EC
…… (6)
b.如图3区域(1)(2)(4)合成一段,RC充电阶段
令CG=CGS+CGD_AVC;充电终止CG电压Uo=k*UDRV;充电持续时间为T;充电电流为IG


…… (7)

…… (8)

电容储能总小于电阻功耗,电容越接近充满,两者越接近相等。
电源输出能量

…… (9)
03电容对MOS的充电
实际电路中,驱动芯片给MOS充电时,充电电流大部分都是由电容提供,因此可以近似认为驱动电路是电容给电容充电的模型。
a.如图3区域(3)恒流充电时的功耗
电阻耗能

电容储能

电源电容输出的能量

对比恒压源对电容充电公式,VDRV变为VDRV_AVC,因为电源电容电压在下跌,因此取充电过程的平均值。
b.如图3区域(1)(2)(4)合成一段,RC充电阶段
设电源电容CIN初始电压为UDRV,实时电压为UIN;门极电容CG=CGS+CGD_AVG;充电终止CG电压Uo=k*UDRV;充电持续时间为T; 充电电流为IG。如图5,根据s域模型求解电压和电流:

图5
令



求拉普拉斯逆变换




电容储能

…… (10)
电阻耗能

…… (11)
电源电容输出的能量

…… (12)
当

时,

电容储能大于电阻耗能。
当

时,

电阻耗能大于电容储能。


…… (13)
令


…… (14)
设充电终止时,两个电容电压相等,根据电荷守恒:

,解得

代入式(14)

…… (15)
由式(15)可知,电源电容输出的能量大于电阻耗能+电容储能。

即CG=CIN时,分母达到最小值,电容值相差越大,损失能量越小。
04MOS的放电
设电容初始电压UG,终止电压Uo=kUG,放电持续时间为T



电容剩余储能

电阻耗能

电容初始储能

因此放电过程中,电容释放的能量完全消耗在电阻上。
05寄生电感的作用
充电回路相当于一匝的线圈,形成寄生电感,图6的模型更接近实际电路。

图6
在如图3区域(3),近似恒流充电,电感的作用忽略,因此不作分析。
设电源电容CIN初始电压为UDRV,时刻电压为UIN;门极电容:CG=CGS+CGD_AVG;充电终止CG电压Uo=k*UDRV;充电持续时间为T;充电电流为IG;计生电感L。



由于IG和Uo的时域公式非常复杂,T的表达式无法求出,也无法通过公式计算电阻的耗能。因为电阻的影响只是消耗一部分能量,把这部分能量降为0,也就是令电阻等于0,电路中只有L和C,以简化分析。



求拉普拉斯逆变换:



任意时刻电感储能

…… (16)
任意时刻MOS电容储能

…… (17)
任意时刻电源电容储能

…… (18)
初始时刻电源电容储能




…… (19)
由式 (19)可知电能守恒,没有额外的能量损失。当然,交变的电磁场,还是会辐射能量,但因为电感的存在,抑制了电流的变化率。
结论与建议
通过对不同充电模型下电阻损耗、电容储能、电源能量输出之间关系的定量分析,本文指出传统“电源能量一分为二”的假设并非总是成立。特别是在驱动电压高于2倍米勒电平时,栅极电阻的能量损耗常常大于电容储能;而在电容对电容充电的模型中,能量分布又呈现出不同特性。此外,MOS关断时所有储能都通过电阻耗散,而寄生电感则在一定程度上抑制了能量损失。理解这些能量路径对精确设计高效Gate Driver系统至关重要,尤其在追求高频、高密度、高可靠性的电源应用中更显价值。
纳芯微电子(简称纳芯微,科创板股票代码688052)是高性能高可靠性模拟及混合信号芯片公司。自2013年成立以来,公司聚焦传感器、信号链、电源管理三大方向,为汽车、工业、信息通讯及消费电子等领域提供丰富的半导体产品及解决方案。
纳芯微以『“感知”“驱动”未来,共建绿色、智能、互联互通的“芯”世界』为使命,致力于为数字世界和现实世界的连接提供芯片级解决方案。
龙腾半导体SGT MOSFET LSGT085R018在智慧农业无