时间:2025-05-22 11:12
人气:
作者:admin
OPA3693提供了一种易于使用的宽带三重固定增益缓冲放大器。根据外部连接,内部电阻网络可用于提供+2视频缓冲器的固定增益或+1或-1电压缓冲器的增益。OPA3693提供转换速率(2500V/µs)和带宽(>800MHz)通常与更高的电源电流有关。新的输出级架构以最小的净空和交叉失真提供高输出电流。这种功能组合使OPA3693成为理想的RGB线驱动器或单电源欠采样模数转换器(ADC)输入驱动器。
数据手册:*附件:OPA3693 具有禁用功能的三路、超宽带、固定增益、视频缓冲器技术手册.pdf
OPA3693 13mA/通道电源电流在+25°C时精确微调。这种微调以及较低的温度漂移使系统功率随温度而降低。使用可选的禁用控制引脚可以进一步降低系统功率。保持此引脚打开或保持高电平,即可正常运行。如果拉低,OPA3693电源电流降至130µA/通道以下。这种节能特性,加上卓越的单+5V操作,使OPA3693成为便携式应用的理想选择。OPA3693采用SSOP-16封装。
特征
650 MHz带宽(G =+2)
固定收益为± 1或+2
输出电压摆动:± 4.1V
超高睡眠率:2500 V/uS
3RD-命令拦截:> 40分贝
(f <50 MHz)
低功率:130 m无线通道
低禁用功率:0.4MW/通道
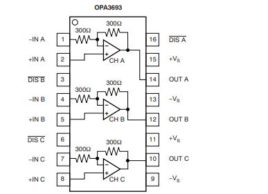
引脚配置
电气特性
典型特性
应用
多线视频分发
放大器(DA)
便携式仪器
宽带视频线路驱动器
adc缓冲器
高频有源滤波器
龙腾半导体SGT MOSFET LSGT085R018在智慧农业无