时间:2025-05-22 11:27
人气:
作者:admin
INA200、INA201 和 INA202 器件是具有电压输出和集成比较器的高侧电流分流监控器。INA20x 器件能够在 -16V 至 +80V 范围内的共模电压下感测分流器两端的压降。INA20x 系列器件可提供三种输出电压级别,即 20V/V、50V/V 和 100V/V,带宽高达 500kHz。
数据手册:*附件:INA200 带比较器的、-16V至80V、500kHz、电流感应放大器技术手册.pdf
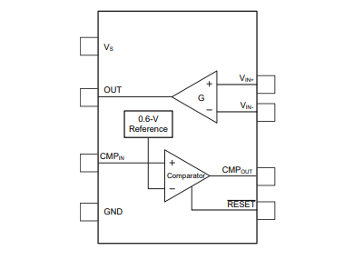
INA200、INA201 和 INA202 器件整合了一个开漏比较器以及提供 0.6V 阈值的内部基准。外部分压器可设定电流跳变点。比较器具有锁存功能,可通过将 RESET 引脚接地(或悬空)进入透明状态。
INA200、INA201 和 INA202 器件由单个 2.7V 至 18V 电源供电,消耗的最大电源电流为 1800µA。封装选项包括极小型 VSSOP-8 和
SOIC-8。所有版本的额定扩展工作温度范围均为 -40°C 至 +125°C。
特性
• 完整电流感测解决方案
• 三种增益可供选择:
– INA200 = 20V/V
– INA201 = 50V/V
– INA202 = 100V/V
• 0.6V 内部电压基准
• 内部漏极开路比较器
• 比较器锁存功能
• 共模范围:-16V 至 80V
• 高精度:整个温度范围内的最大误差为 3.5%
• 带宽:500kHz (INA200)
• 静态电流:1800μA(最大值)
• 封装:SOIC-8、VSSOP-8
引脚功能和配置
典型特性
功能方框图
应用
• 笔记本电脑
• 手机
• 电信设备
• 汽车
• 电源管理
• 电池充电器
• 焊接设备
龙腾半导体SGT MOSFET LSGT085R018在智慧农业无