时间:2025-05-23 13:56
人气:
作者:admin
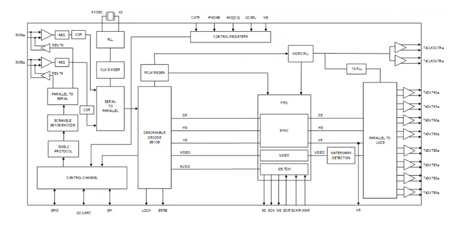
Analog Devices/Maxim Integrated MAX96752 GMSL2解串器(带双LVDS(OLDI)输出)可将单链或双链路GMSL™ 串行输入转换为单路或双路OLDI。这些器件还可发送和接收侧通道和外设控制数据,从而实现视频和双向数据的全双工单线传输。OLDI输出可配置为单端口(4通道或8通道)或双端口(2个4通道),以灵活驱动具有各种分辨率的显示器。每个端口均支持高达150MHz的像素时钟速率,在双端口模式下,MAX96752支持高达300MHz的组合像素时钟。
数据手册:*附件:Analog Devices Maxim Integrated MAX96752带双LVDS输出的GMSL2解串器数据手册.pdf
GMSL2并行控制通道在^I2C^或UART模式下工作。提供两个额外直通^I2C^或UART通道和一个直通SPI通道,用于外设控制。双向音频通道在TDM模式下支持^I2S^立体声和多达8个通道。额定汽车级温度范围为-40°C至+105°C。Analog Devices/Maxim Integrated MAX96752符合AEC-Q100标准。数据可通过符合GMSL2通道规范的低成本50Ω同轴电缆或100Ω STP电缆传输。

相关文章
Analog Devices / Maxim Integrated MAX96752xEVKIT解串器评估套件数据手册
龙腾半导体SGT MOSFET LSGT085R018在智慧农业无